KK1 & TK2
Crystal oven & thermocontroller for nonlinear crystals
KK1 crystal oven and TK2 external thermocontroller form an optimal set for precise nonlinear crystal’s temperature control up to 200 °C. Designed for a wide range of nonlinear crystals: KTP, LBO, CLBO, BBO, KDP, DKDP, LiNbO3.
Features
- High heating temperature (up to 200 °C)
- High temperature accuracy (± 0.5 °C)
- Effortless insertion spring-loaded adapter
- Extra-safe fused silica windows option
- Robust crystal oven’s design
Applications
- Frequency conversion of a laser beam for SHG, THG, OPO, SFG and DFG
Description
KK1 crystal oven and TK2 external thermocontroller form an optimal set for precise nonlinear crystal’s temperature control up to 200 °C. The KK1+TK2 crystal oven and thermocontroller duo is designed for a wide range of nonlinear crystals: KTP, LBO, CLBO, BBO, KDP, DKDP, LiNbO3. These nonlinear crystals are used for frequency conversion of a laser beam for SHG, THG, OPO, SFG and DFG applications. KK1+TK2 crystal oven and thermocontroller set ensures efficient phase matching, mitigation of water absorption and prevention of absorption peaks in nonlinear crystals.
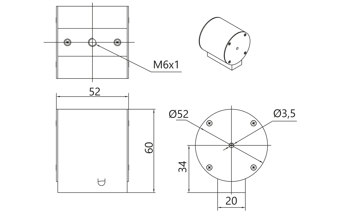
The external thermocontroller TK2 has two independent outputs and can control up to two KK1 30 ovens simultaneously. The thermocontroller is equipped with LAN and USB control interfaces and an internal power supply. The nonlinear crystal is mounted into an adapter before being inserted into the oven KK1. A unique spring-loaded adapter design ensures effortless insertion and replacement of the crystal. The nonlinear crystal can be covered from both ends with fused silica windows for extra protection upon customer’s request. The standard adapters can be either 30 mm or 50 mm long with apertures up to 12×12 mm. KK1 crystal oven by default contains one adapter for the specific crystal size. Each adapter is designed specifically for a given crystal aperture size and cannot accommodate different-sized crystals. Adapters for crystals of different sizes can be ordered separately. Additionally, Ekspla can also provide adapter H4 for KK1 crystal oven’s mounting on a tilt stage.
Specifications
| Model 1) | TK2 + KK1-30 | TK2 + KK1-50 |
|---|---|---|
| General specifications | ||
| Temperature range | From room temperature to 200 °C | From room temperature to 200 °C |
| Maximum crystal dimensions | 12×12×30 mm | 12×12×50 mm |
| Temperature tuning step | 0.05 °C | 0.05 °C |
| Accuracy | ± 0.5 °C | ± 0.5 °C |
| Long-term stability | ± 0.05 °C | ± 0.05 °C |
| Control interfaces | LAN, USB | LAN, USB |
| Mains | 90 – 264 V, 47 – 63 Hz | 90 – 264 V, 47 – 63 Hz |
| Power consumption | < 50 W | < 50 W |
| Oven dimensions, Dia×D | Ø52×52 mm | Ø52×72 mm |
| Quantity of ovens possible to connect to one controller TK2 | 2 | 1 |
| Accessories | Wall plug power supply (included by default), H4 mountig adapter (included upon request) | Wall plug power supply (included by default), H4 mountig adapter (included upon request) |
| Model 1) | TK2 + KK1-30 | TK2 + KK1-50 |
|---|
- Due to continuous improvement, all specifications are subject to change without notice. Parameters marked typical are not specifications. They are indications of typical performance and will vary with each unit we manufacture.